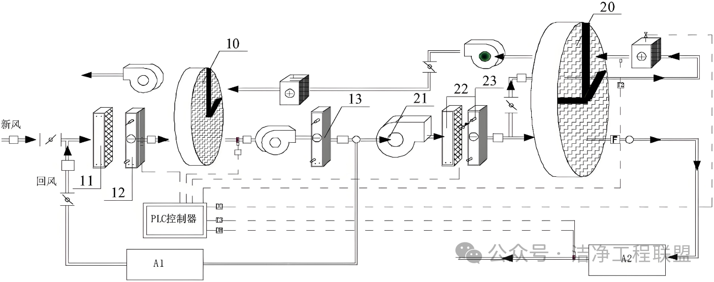
低露点转轮除湿系统的机理、配置和优化
2025-01-14 11:07:36
一、工作机理
1. 吸附过程
- 转轮结构:转轮由多个扇形区域组成,每个扇形包含一层或多层吸附剂。当潮湿空气流经这些吸附层时,水蒸气被吸附到吸附剂表面。
- 物理吸附原理:利用吸附剂对水分子的强大亲和力,在常温条件下将空气中水分捕获并储存在内部。
2. 再生过程
- 加热解吸:为了恢复吸附剂的吸附能力,一部分经过处理后的干燥空气会被加热到较高温度,并反向吹过已经饱和的吸附区段。高温使得吸附在材料上的水分重新蒸发出来,随热风排出系统外部。
- 连续循环:转轮不断旋转,确保吸附与再生两个过程交替进行,实现持续稳定的除湿效果。二、系统配置
1. 核心组件
- 转轮装置:这是整个系统的核心部分,负责实际的除湿任务。根据具体需求选择不同材质和规格的吸附剂填充转轮。
- 预过滤器:用于拦截进入系统的较大颗粒物,保护后续设备免受污染。
- 风机:提供足够的风量以保证空气顺利通过各个处理环节。通常包括送风机和排风机两部分。
- 加热器:为再生过程提供必要的热量,确保吸附剂能够有效释放所吸收的水分。常见的有电加热、蒸汽加热等方式。
- 冷却器/冷凝器(可选):对于某些特定应用,可能还需要安装冷却装置,以便进一步降低处理后空气的温度,防止因温度过高而影响下游工艺。
2. 辅助设施
- 控制系统:集成自动化控制系统,实时监控各项运行参数(如温度、湿度、压力等),并通过调节各部件的工作状态来维持最佳性能。
- 安全装置:配备防火阀、泄压阀等安全保障措施,确保系统稳定可靠地运行。
- 维护平台:设置方便检修和更换耗材的人行通道及操作平台。

三、优化建议
1. 合理设计流程
- 负荷匹配:根据实际工况精确计算所需的除湿量,选择合适尺寸和功率的设备,避免过度投资或能力不足。
- 多级组合:考虑采用多级串联的方式,先用粗效除湿单元初步处理高湿度空气,再经过精细除湿模块最终达到所需低露点要求。这不仅可以提高整体效率,还能延长单个设备的使用寿命。

2. 提升能源利用率
- 能量回收:引入热交换器等节能技术,回收再生过程中产生的废热,减少额外能耗。
- 智能调控:利用先进的传感器技术和算法模型,动态调整风扇速度、加热功率等参数,使系统始终处于最经济的工作模式。

3. 强化维护管理
- 定期检查:建立完善的巡检制度,及时发现并解决潜在问题,例如堵塞的滤网、泄漏的管道等。
- 预防性保养:按照制造商推荐的时间表实施例行维护,如清洗转轮、校准仪表等,确保长期稳定运行。
- 培训员工:加强操作人员的专业技能培训,使其熟悉设备特性和操作规程,正确执行日常管理和应急处理。
四、总结
低露点转轮除湿系统凭借其高效、稳定的特性,在众多行业中得到了广泛应用。通过对工作机理的理解、合理的系统配置以及持续的优化改进,可以确保这类系统在各种复杂环境下都能发挥出最佳的除湿效能,满足用户对高品质低湿度环境的需求。
2025 08-13
带你了解不一样的工业纯水
[list:subtitle]
纯水,纯化水,超纯水有什么区别?1、制造的难易程度不同。目前市场上使用的纯水基本上都是经过反渗透、蒸馏等方法制得。纯化水是用水经蒸馏法、离子交换法、反渗透法或其他适宜方法制备得到的制药用水。而超纯水是在纯水的基础上还要经过光氧化技术、精处理和抛光处理等一系列复杂的纯化技术制得的,这样的水是一般工艺很难达
2025 02-18
温度与显热和潜热的关系,为何制冷要在低温下蒸发和高温下冷凝
[list:subtitle]
温度是衡量物体冷热程度的物理量,它反映了物体内部分子热运动的剧烈程度。显热和潜热是热量传递的形式,其中显热传递表现为温度变化,潜热传递表现为相态变化而温度不变。一、温度与显热的关系显热是指物质在不发生相变(状态变化)的情况下,物质由于温度变化而吸收或放出的热量。例如,我们将一杯水由20℃加热到80℃,水
2025 02-05
什么是AI,AO,DI,DO?
[list:subtitle]
AI、AO、DI、DO是工业控制系统中常见的信号类型缩写,分别对应不同的输入输出功能,具体定义及功能如下:AI(Analog Input,模拟量输入)定义:接收连续变化的物理量信号,并将其转换为数字信号供控制系统处理。信号类型:通常为电压(如0-10V)或电流(如4-20mA)信号。- **应用场景**:&nb
2025 01-07
离心式冷水机组喘振的原理与预防方法
[list:subtitle]
喘振是单级离心式制冷压缩机(即速度型制冷压缩机)所特有的一个特征。它表现在当单级离心式制冷压缩机在低负荷下(额定负荷的25%以下)运行时,容易发生“喘振”,造成周期性地增大噪声和振动,严重时甚至损坏压缩机。这可能是由单级离心式制冷压缩机特殊结构和运行方式决定的,因为它是一种速度型制冷压缩机,而非容积型
2024 11-26
制冷机组冷量与能耗关系及节能措施
[list:subtitle]
制冷设备的产冷量与系统运转工况有着直接的关联。对于结构、转速以及制冷剂种类均已确定的压缩机而言,其产冷量和能耗会随着运转工况的改变和操作管理的不同而发生显著变化。一、产冷量与能耗的关系蒸发温度的影响:随着蒸发温度的降低,压缩机的压缩比会增大,进而导致单位产冷量的能耗增加。具体而言,当蒸发
2024 11-20
关于水泵的气缚?和气蚀?
[list:subtitle]
气缚和气蚀是两种在离心泵运行过程中可能遇到的特殊现象,它们不仅影响泵的正常工作,还可能对泵造成损害。以下将详细阐述这两种现象的产生原因及预防措施:气缚现象产生原因:离心泵在启动前如果没有完全灌满输送的液体,或在运转时吸入空气,气体密度小于液体,无法有效产生将液体吸入泵内的离心力,叶轮中心区所形成的低
2024 11-07
水泵流量、扬程、功率和效率之间有什么关系?
[list:subtitle]
水泵(Water Pump)是输送液体或使液体增压的机械,通常是利用电机或其它动力设备驱动叶轮转动,把液体从低处吸入后经过叶轮的作用使其受到动能转化而产生压力,从而输送液体到高处或远距离。水泵的主要性能参数有:流量、扬程、功率和效率等。1水泵性能参数之流量水泵流量是指水泵单位时间内输送液体的体积或重量,用符号Q
2024 08-26
制冷系统的调试故障处理
[list:subtitle]
高压报警怎么办??1、原因分析:2、如何处理??1)、检查高压压控无问题,无误报警;2)、用手触摸制冷系统冷凝器(风冷冷凝器或者水冷冷凝器),如果冷凝器很烫,说明冷凝器换热效果不好,此时可以检查冷却水(或者冷凝风扇)的问题;3)、尝试放掉一点制冷剂试试看看!~~经验二低压报警怎么办??1、原因分析:蒸发温度
2024 09-23
空调冷冻/冷却水清洗方法、流程、配方、判断与注意事项
[list:subtitle]
冷冻水和冷却水系统的水质不良不仅会导致传热管内结垢,影响热交换效率和降低机组性能,还可能腐蚀传热管,引发重大故障。因此,在维护保养时,应遵循GB50050-1995《工业循环冷却水处理设计规范》的要求进行水质处理。若水质未达到规定标准,则需进行水质处理。 冷冻水系统为封闭循环,几乎无水量损失,但存在
2025 11-25
空压机余热回收的主要方式及工作原理
[list:subtitle]
01回收方式及其核心特点 空压机余热回收是一项非常实用的节能技术,能将空压机运行时产生的大量热能变废为宝。下面这个表格汇总了主要的回收方式及其核心特点,帮你快速抓住重点。回收方式工作原理简介主要应用场景关键特点间接回收(热交换)通过换热器回收空压机润滑油和压缩空气的热量来加热水。生产工艺热水
2025 10-09
电子厂房冷凝热回收系统的选择
[list:subtitle]
电子厂房是典型的能耗大户,其全年不间断的制冷运行产生了巨量冷凝热,传统做法是将其送入冷却塔直接废弃,既浪费能源又加剧热岛效应。利用热回收技术将这部分废热用于工艺预热、空调再热等,是实现节能降碳的关键途径。然而,热回收系统的性能核心在于权衡:提高冷凝水温度可获取更高品位的热能,但会导致制冷主机C
2025 09-27
空压机余热回收利用方案与实践应用
[list:subtitle]
空压机余热回收利用方案与实践应用摘要针对空压机运行过程中大量余热浪费的问题,本文提出“按需匹配、梯级利用、经济高效”的方案设计核心原则,系统梳理了按余热来源(润滑油循环系统、压缩空气排气系统)分类的差异化回收方案,以及按利用场景(工业生产辅助、建筑舒适、能源再生)分类的综合应用方案。通过明确各方案的